KT2温度調節器(終了品)
ダウンロード
ヘルプ
-
受注終了情報
-
品質体系表
-
定格・性能概要
-
寸法図
-
配線・接続
-
使用上のご注意
受注終了
終了時期
2023年09月29日
本商品は受注を終了いたしました。
代替商品のご案内や終了商品の詳細につきましては、下記をご覧ください。
代替商品のご案内や終了商品の詳細につきましては、下記をご覧ください。
受注終了情報
品番体系表

※加熱冷却選択時は、警報出力1は使用できません。
※ 通信機能選択時は、警報出力2は使用できません。
※ 警報出力、過熱冷却、ヒータ断線警報、通信機能は以下の4パターンのみ選定できます。
・AKT2***200
・AKT2***110
・AKT2***1001
・AKT2***0101
品番検索方法
例)基本機能+オプション機能(加熱冷却:リレー接点出力+通信機能)
・オプション機能はKT2シリーズでは以下の4パターンのみとなります。
AKT2*1*200ブランク AKT2*1*1001
AKT2*1*110ブランク AKT2*1*0101
・品番:AKT21110101
定格・性能概要
| 項目 | 仕様 | ||||
|---|---|---|---|---|---|
| サイズ | 48×24mm | ||||
| 定 格 | 定格操作電圧(いずれか選択) | 100-240V AC | |||
| 24V AC/DC | |||||
| 定格周波数 | 50/60Hz | ||||
| 定格消費電力 | 約5VA | ||||
| 定格目盛 | 入力の種類 | 入力範囲 | |||
| 熱電対 | K | -200~1,370℃(-320~2,500℉) | |||
| -199.9~400.0℃(-199.9~750.0℉) | |||||
| J | -200~1,000℃(-320~1,800℉) | ||||
| R | 0~1,760℃(0~3,200℉) | ||||
| S | 0~1,760℃(0~3,200℉) | ||||
| B | 0~1,820℃(0~3,300℉) | ||||
| E | -200~800℃(-320~1,500℉) | ||||
| T | -199.9~400.0℃(-199.9~750.0℉) | ||||
| N | -200~1,300℃(-320~2,300℉) | ||||
| PL-II | 0~1,390℃(0~2,500℉) | ||||
| C(W/Re5-26) | 0~2,315℃(0~4,200℉) | ||||
| 測温抵抗体 | Pt100 | -200~850℃(-300~1,500℉) | |||
| -199.9~850.0℃(-199.9~999.9℉) | |||||
| JPt100 | -200~500℃(-300~900℉) | ||||
| -199.9~500.0℃(-199.9~900.0℉) | |||||
| 直流 | 電流 | 4~20mA DC | -1,999~9,999、-199.9~999.9 -19.99~99.99、-1.999~9.999 | ||
| 0~20mA DC | |||||
| 電圧 | 0~1V DC | ||||
| 0~10V DC | |||||
| 1~5V DC | |||||
| 0~5V DC | |||||
| ・直流電流、直流電圧入力は、スケーリングおよび小数点の位置変更ができます。 ・直流電流入力は、シャント抵抗50Ω(別売品)を外付けで対応します。 | |||||
| セ ン サ 入 力 | 熱電対 | K、J、R、S、B、E、T、N、PL-II、C(W/Re5-26) 外部抵抗:100Ω以下(ただし、B入力の場合、外部抵抗は40Ω以下) | |||
| 測温抵抗体 | Pt100、JPt100 3導線式(1線当たりの許容入力導線抵抗:10Ω以下) | ||||
| 直流電流 | 0~20mA DC | 入力インピーダンス:50Ω(シャント抵抗50Ωを入力端子間に接続します。) 許容入力電流:50mA以下(シャント抵抗50Ωを使用した場合) | |||
| 4~20mA DC | |||||
| 直流電圧 | 0~1V DC | 入力インピーダンス:1MΩ以上、許容入力電圧:5V以下、許容信号源抵抗:2kΩ以下 | |||
| 0~5V DC | 入力インピーダンス:100kΩ以上、許容入力電圧:15V以下、許容信号源抵抗:100Ω以下 | ||||
| 1~5V DC | |||||
| 0~10V DC | |||||
| 制 御 出 力 | リレー接点 | (いずれか選択) | 1a | ||
| 3A 250V AC(抵抗負荷)、1A 250V AC(誘導負荷 cosø=0.4)、電気的寿命:10万回 | |||||
| 無接点電圧 (SSR駆動用電圧出力) | 12+20V DC 最大負荷電流40mA(短絡保護回路付) | ||||
| 直流電流 | 4~20mA DC 負荷抵抗:最大550Ω | ||||
| 警報出力1(EV1) | リレー接点 1a 3A 250V AC(抵抗負荷) 1a 1A 250V AC(cosø=0.4)、電気的寿命:10万回 | ||||
| 警報出力2(EV2) | オープンコレクタ 0.1A 24V DC | ||||
| 制御方式 | PID動作(オートチューニング機能付)、PI動作、PD動作(手動リセット機能付)、P動作(手動リセット機能付)、ON/OFF動作 | ||||
| 目標温度設定 | 第1設定/第2設定(外部端子で切替) | ||||
| プログラム制御機能 | 1パターン、9ステップ設定可能(ただし、定値制御とプログラム制御のどちらかを機能選択可能) | ||||
| 指 示 精 度 | 熱電対 | 各入力スパンの±0.2%±1デジット以内、または±2℃(4℉)以内のどちらか大きい値 ただし、R、またはS入力で0~200℃(32~392℉)の範囲は、±6℃(12℉)以内 B入力で0~300℃(32~572℉)の範囲は、精度保証範囲外 K、J、E、T、N入力で0℃(32℉)未満は入力スパンの±0.4%±1デジット以内 | |||
| 測温抵抗体 | 各入力スパンの±0.1%±1デジット以内、または±1℃(2℉)以内のどちらか大きい値 | ||||
| 直流電流、直流電圧 | 各入力スパンの±0.2%±1デジット以内 | ||||
| サンプリング周期 | 250ms | ||||
| ON/OFF動作すきま | 熱電対、測温抵抗体:0.1~100.0℃(℉)直流電流、 直流電圧:1~1,000(小数点の位置は小数点選択に従う) | ||||
| 比例帯 | センサ入力範囲および直流電流、直流電圧の場合0.0~110.0% | ||||
| 積分時間 | 0~1,000秒 | ||||
| 微分時間 | 0~300秒 | ||||
| 比例周期 | 1~120秒 | ||||
| 許容操作電圧範囲 | 100-240V ACの場合:85-264V AC、 24V AC/DCの場合:20-28V AC/DC | ||||
| 絶縁抵抗 | 500V DC 10MΩ以上 | ||||
| 耐電圧 | 入力端子-電源端子間 出力端子-電源端子間 1.5kV AC 1分間 | ||||
| 誤動作振動 | 10~55Hz(周期1分間)片振幅0.35mm(上下、左右、前後各方向10分間) | ||||
| 耐久振動 | 10~55Hz(周期1分間)片振幅0.75mm(上下、左右、前後各方向1時間) | ||||
| 誤動作衝撃 | X、Y、Z各方向5回 98m/s2 | ||||
| 耐久衝撃 | X、Y、Z各方向5回 294m/s2 | ||||
| 使用周囲温度 | 0~+50℃ | ||||
| 使用周囲湿度 | 35~85%RH(結露不可) | ||||
| 質量 | 約120g | ||||
| 防水性 | IP66(ただし、パネル表面のみ:ゴムパッキン使用時) | ||||
| 表示部文字高さ | PV:8.7mm SV:8.7mm(PV/SV切換表示) | ||||
| オ プ シ ョ ン 機 能 | 加熱冷却制御 | リレー接点 | リレー接点 1a 3A 250V DC (抵抗負荷) | ||
| 無接点電圧 | — | ||||
| ヒータ断線警報出力 | — | ||||
| 通信機能 | 下記の「通信性能概要」をご参照ください。 | ||||
| 付 属 品 | 取付枠/取付金具 | 本体に付属 | |||
| 端子カバー | 別売 | ||||
| ゴムパッキン | 本体に付属 | ||||
通信性能概要
| 項目 | 仕様 |
|---|---|
| 通信方式 | 半二重通信 |
| 通信速度 | 2400, 4800, 9600, 19200bpsから、いずれかをキー操作により選択 |
| 同期方式 | 調歩同期式 |
| プロトコル | MODBUS(RTU、ASCII) |
| 符号形式 | バイナリー/ASCII |
| エラー訂正 | コマンド再送 |
| エラー検出 | パリティチェック、チェックサム |
| データの構成 | スタートビット:1 データビット:7 パリティ:偶数パリティ ストップビット:1 |
| インタフェース | EIA RS-485準拠 |
| 子局数 | 31局 |
| 最大通信距離 | 1,000m(ただし、ケーブル抵抗50Ω以内) |
寸法図
単位mm
外形寸法図
公差±1

パネルカット寸法

※通信用端子は背面に設けたネジ端子です。
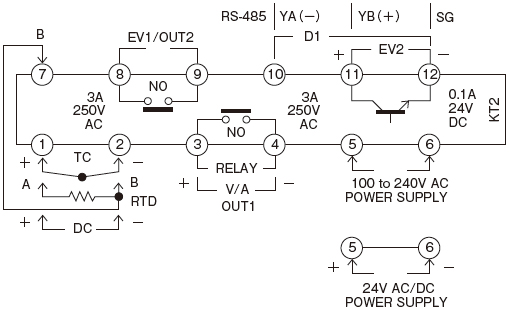
配線・接続
外部接続図

- TC:
熱電対の入力端子 - RTD:
測温抵抗体の入力端子 - DC:
直流電流または直流電圧の入力端子
直流電流入力の場合、入力端子間に別売りの受信抵抗(50Ω)を接続します - OUT1:
制御出力または加熱出力[オプション:加熱冷却制御]の出力端子 - POWER SUPPLY:
電源端子 - EV1/OUT2:
警報出力1または冷却出力[オプション:加熱冷却制御]の出力端子 - EV2:
警報出力2の出力端子 - D1:
D1入力の入力端子(D1入力は、SV1/SV2外部切替機能、OUT/OFF(RUN/STOP)外部切替機能、タイマ機能の3種類があります) - RS-485:
シリアル通信の通信端子
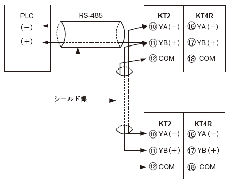
通信機能接続図(PLCとの接続図)

(注1): 終端抵抗(ターミネータ)について
KTシリーズには終端抵抗に代わるプルアップ抵抗、またはプルダウン抵抗を内蔵していますので、通信ライン上には終端抵抗を接続しないでください。
使用上のご注意
設置周囲状況の注意
本器は、次の環境仕様で使用されることを意図しています。(IEC 61010-1)
- 過電圧カテゴリII、汚損度2
本器の使用は、下記のような場所でご使用ください。
- 塵埃が少なく、腐蝕性ガスのないところ。
- 可燃性ガス、爆発性ガスなどが発生しないところ。
- 機械的振動や衝撃の少ないところ。
- 直射日光が直接あたらず、周囲温度が0~50°C(KT4R/KT8R/KT9Rは-10~55°C)で、急激な温度変化のないところ。(盤内に設置される場合には、特に放熱について考慮してください。また、熱を発生する機器の真上などへの設置は避けてください。)
- 急激な温度変化により結露が起こる可能性のある場所。
- ベンジン、シンナーおよびアルコールなどの有機溶剤や、アンモニアおよびカセイソーダなどの強アルカリ物質などが付着する可能性のある場所または、それらの雰囲気の中。
- 直接、振動や衝撃が伝わるような場所や直接水滴の当たる可能性のある場所。
- 高圧線・高圧機器・動力線・動力機器あるいはアマチュア無線など送信部のある機器、または大きな開閉サージの発生する機器の近辺。
- 湿度は35~85%RHで、結露の可能性がないところ。
- 大容量の電磁開閉器や大電流の流れている電線から離れているところ。
- 水や油、薬品など、またはそれらの蒸気が直接あたるおそれのないところ。
配線上の注意
- KT4R/KT8R/KT9R/KT4H/KT4Bシリーズの端子台は、左側から配線する構造になっています(KT2シリーズの端子は、上下方向)。リード線は、必ず左側方向から端子へ挿入し、端子ネジで締め付けてください。M3のネジに適合する絶縁スリーブ付圧着端子を使用してください。
圧着端子 メーカ 形名 締め付けトルク Y形 (株)ニチフ端子工業 1.25Y-3 0.6N・m
最大1.0N・m日本圧着端子製造(株) VD1.25-B3A 丸形 (株)ニチフ端子工業 1.25-3 日本圧着端子製造(株) V1.25-3 
- 端子ネジの締め付けトルクは、0.6N・m~1.0N・m(KT4R/KT8R/KT9R/KT4H/KT4B)、KT7シリーズのM3ネジは0.5N・m以下、M2ネジは0.25N・m以下にて緩みがないように締め付けてください。
- 熱電対、補償導線は本器のセンサ入力仕様に合ったものをご使用ください。
- 測温抵抗体は3導線式のもので、本器のセンサ入力仕様に合ったものをご使用ください。
- 本器は電源スイッチ、遮断器およびヒューズを内蔵していません。必ず上記の装置類を、本器の近くに別途設けてください。(推奨ヒューズ:定格電圧250V AC、定格電流2Aのタイムラグヒューズ)
- 電源が24V AC/DCで、DCの場合、極性を間違わないようにしてください。
- リレー接点出力形については、内蔵リレー接点保護のため外部に負荷の容量に合ったリレーのご使用をおすすめします。
- 入力線(熱電対、測温抵抗体など)と電源線、負荷線は離して配線してください。
- 配線などの作業を行う時は、計器への供給電源を切った状態で行なってください。電源を入れた状態で作業を行なうと、感電のため人命や重大な傷害にかかわる事故の起こる可能性があります。
- 配線作業を行なう場合、電線屑を通風窓へ落とし込まないでください。
- 予期しないレベルのノイズによる、温調器への悪影響を防ぐため、電磁開閉器のコイル間にスパークキラーを取り付けてください。
取り付け上の注意
- KT4R/KT8R/KT9R/KT4H/KT4Bシリーズの取付枠、取付金具のネジを必要以上に締めすぎると、取付金具やケースが変形するおそれがあります。KT8R/KT9Rシリーズは、0.1N・m位で締め付けてください。KT4H/KT4Bシリーズは、0.05~0.06N・m位で締め付けてください。KT4Rシリーズは、0.15N・m位で締め付けてください。
- KT7シリーズのDINレールへの取り付けは、横方向で取り付てください。カチッと音がし、確実に固定されたことを確認してください。
取付方法
防塵防滴IP66仕様を満たすため、本器は鉛直に取り付けてください。
取り付け可能な制御盤の板厚は、1~10mm以内です。
- 本器を制御盤前面から挿入してください。
- 取付枠の先端(2本)がパネルに当たるまで挿入してください。
- 締め付けネジを締めて、ネジ先端がパネルに当たってから3/4回転締め込んでください。

各部の名称

- (1)PV/SV表示(赤色):
プロセス値(PV)、設定値(SV)を表示します。
設定モード時、設定項目のキャラクタと設定値を交互に表示します。 - (2)MEMO/STEP表示(緑色):
定値制御時はメモリ番号、プログラム制御時はステップ番号を表示します。 - (3)PV表示灯(赤色):
入力値を表示している場合、点灯します。 - (4)SV表示灯(緑色):
主設定値を表示している場合、点灯します。 - (5)AT表示灯(黄色):
AT実行中、点滅します。 - (6)T/R表示灯(黄色):
シリアル通信時、点滅します。(データ送信時:点灯、データ受信時:消灯) - (7)OUT表示灯(緑色):
制御出力またはOUT1(加熱側)出力[ オプション:加熱冷却制御]がONの時、点灯します。
直流電流出力形の場合、0.25秒周期で出力操作量に応じて点滅します。 - (8)EV1表示灯(赤色):
警報出力1またはOUT2(冷却側)出力[オプション:加熱冷却制御]がONの時、点灯します。 - (9)EV2表示灯(赤色):
警報出力2がONの時、点灯します。 - (10)アップキー:
設定値の数値を増加させます。 - (11)ダウンキー:
設定値の数値を減少させます。 - (12)モードキー:
設定モードの切り替え、設定値の登録を行ないます。
設定値、選択値の登録は、モードキーを押すことにより行ないます。 - (13)OUT/OFFキー:
制御出力のOUT/OFFまたはプログラム制御のRUN/STOP切り替えを行ないます。