受注終了情報
ダウンロード
ヘルプ
受注終了情報
仕様
寸法図
受注終了
終了時期
2010年09月30日
※ 代替推奨品がない場合でも、用途によっては対応可能な商品がある場合がございますのでお問合せ下さい。
| 型式名 | 投光器:SLB200-E31-21 受光器:SLB200-R31-21 |
|---|---|
| 適合規格(注2) | IEC 61496-1/2、EN 61496-1(タイプ2) |
| 検出距離 | 4m[コーナーミラーSMA80使用時、1個当たり15%減少] |
| 最小検出物体 | ø9mm不透明体 |
| 電源電圧 | コントローラから供給 |
| 消費電流 | (コントローラSLB200-C04-1Rを参照) |
| 保護構造 | IP67(IEC) |
| 使用周囲温度 | -10~+55℃、保存時:-20~+80℃ |
| 投光素子 | 赤外LED(発光ピーク波長:880nm) |
| 有効開口角 | ±4° |
| ケーブル | 0.1m、M8×1コネクタ付 (投光器:3ピン、受光器:4ピン) |
| ケーブル延長 | 全長50mまで |
| 材質 | ケース:ABS(フィラー含有率10%) |
| 質量 | 投・受光器各70g |
(注1):指定のない測定条件は、使用周囲温度=+20℃です。
(注2):コントローラと組み合わせた状態で規格に適合しています。
| 型式名 | SLB200-C04-1R |
|---|---|
| 組み合わせセンサヘッド | SLB200-E31-21、SLB200-R31-21 |
| 適合規格(注2) | IEC 61496-1/2、EN 61496-1(タイプ2) |
| 電源電圧 | 24V DC±20% |
| 消費電流 | 180mA |
| 安全出力(制御出力) | NO接点×1、2A/250V AC、2A/24V DC |
| 応答時間 | 30ms以下(復帰時間) (センサヘッドの応答時間を含む) |
| 補助出力 | PNPトランジスタ出力 ・最大流出電流:500mA ・印加電圧:30V DC以下 |
| 保護構造 | IP20(IP54以上の制御盤内に取り付けてください。) |
| 使用周囲温度 | 0~+50℃、保存時:-20~+80℃ |
| 接続端子 | ネジ式端子(セルフアップビス) |
| 配線ケーブル | 最大4mm2×1本(単線)、最大2.5mm2×1本[フェルール(スリーブ)端子含む]、 最大1.5mm2×2本[フェルール(スリーブ)端子含む] |
| 材質 | ケース:ポリカーボネート |
| 質量 | 257g |
(注1):指定のない測定条件は、使用周囲温度=+20℃です。
(注2):センサヘッドと組み合わせた状態で規格に適合しています。
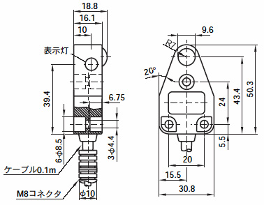
単位mm
セーフティ光センサ

コントローラ

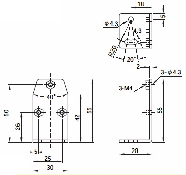
取付金具

材質:ステンレス
質量:45g
M4(長さ14mm)ビス3本付属
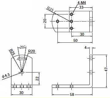
取付金具

材質:ステンレス
質量:92g
M4(長さ10mm)ビス2本、平座金2枚付属
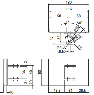
コーナーミラー

材質:ステンレス
質量:272g
MENU